Описание
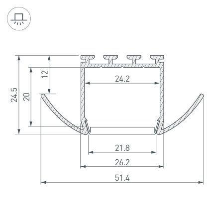
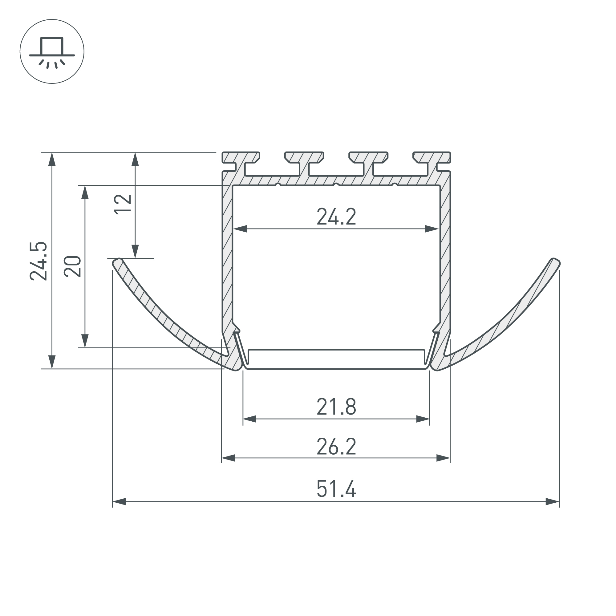
Алюминиевый анодированный встраиваемый профиль для создания световых полос. Крепление к гипсокартону пружинами PLS-GIP. Для лент шириной до 20мм. При использовании с объемными экранами G-K, G-L необходимы дополняющие заглушки. Размер 51х25мм. Цена за 1м.
Документы
Характеристики
|
Производитель
|
Arlight |
|
Цвет
|
Серебристый |
|
Назначение
|
Для прямоугольных светильников |
|
Период обслуживания
|
2 года |
|
Рассеиваемая мощность (на 1м)
|
max: 32 W |
|
Серия
|
PLS-LOCK |
|
Тип товара
|
Профиль |
|
Форма сечения
|
С фланцем |
|
Ширина площадки
|
24.2 мм |
|
Ширина световой линии, мм
|
21.8 мм |
|
Гарантийный срок
|
2 года |
|
Сертификат CE
|
https://arlight.ru/upload/iblock/60c/60c24fe380a72589cb30d10f1917e75e.pdf |
|
Цвет покрытия
|
Серебристый |
|
Форма (сечение)
|
С фланцем |
|
Вес, кг
|
0.728 |




