Описание
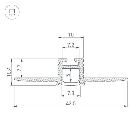
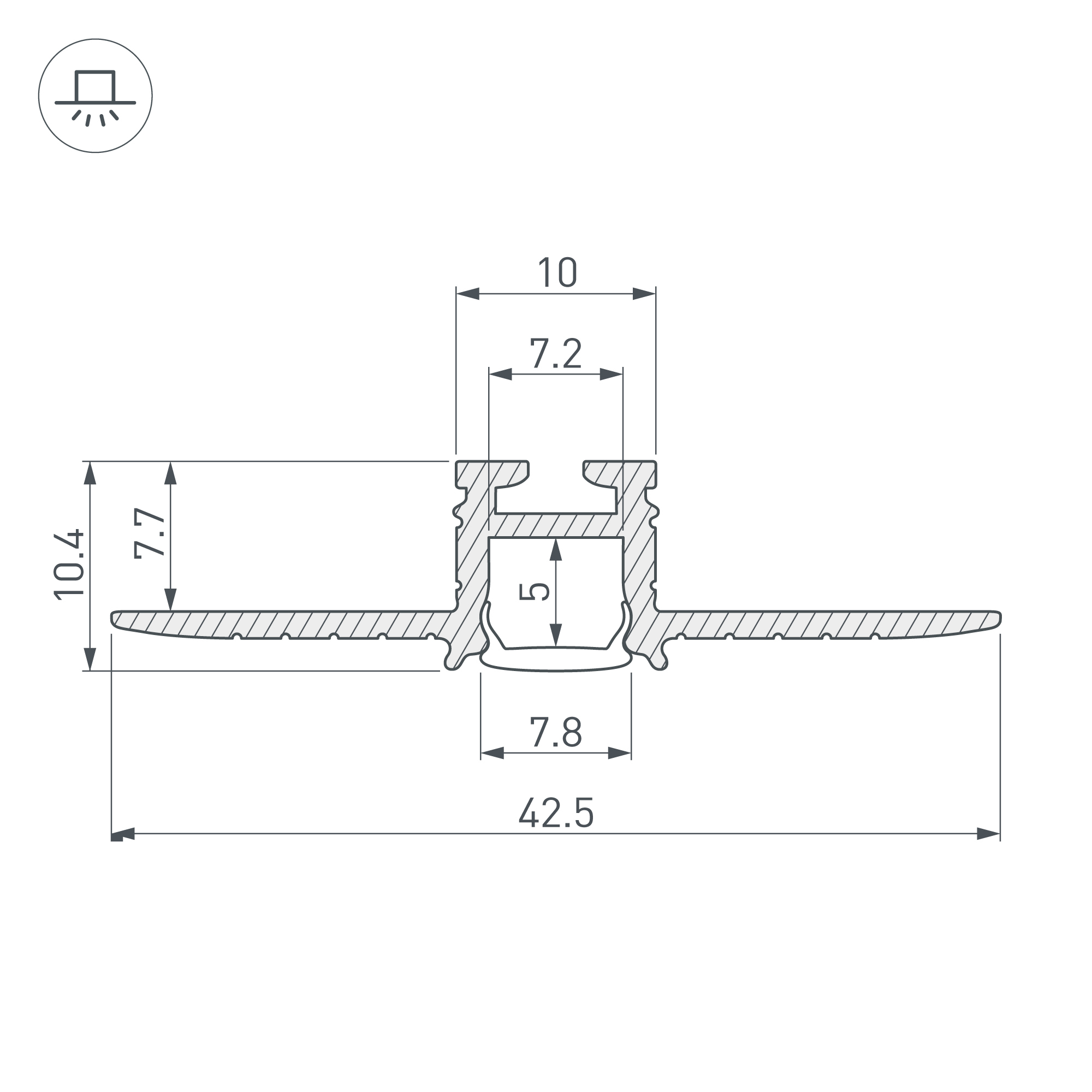
Мини-профиль, встраиваемый в гипсокартон, под строительную отделку. Позволяет создать узкую элегантную линию света без видимых частей алюминия. Ширина световой линии 7,8 мм. Для лент шириной до 6 мм.
Документы
Характеристики
|
Производитель
|
Arlight |
|
Цвет
|
Серебристый |
|
Назначение
|
Для ГКЛ |
|
Период обслуживания
|
2 года |
|
Рассеиваемая мощность (на 1м)
|
max: 23.46 W |
|
Серия
|
PIK |
|
Тип товара
|
Профиль |
|
Форма сечения
|
С фланцем |
|
Ширина площадки
|
7.2 мм |
|
Ширина световой линии, мм
|
7.8 мм |
|
Гарантийный срок
|
2 года |
|
Сертификат CE
|
https://arlight.ru/upload/iblock/07c/07c4671d670cf5b00670a1d8527544b3.pdf |
|
Цвет покрытия
|
Серебристый |
|
Форма (сечение)
|
С фланцем |
|
Вес, кг
|
0.432 |




