Описание
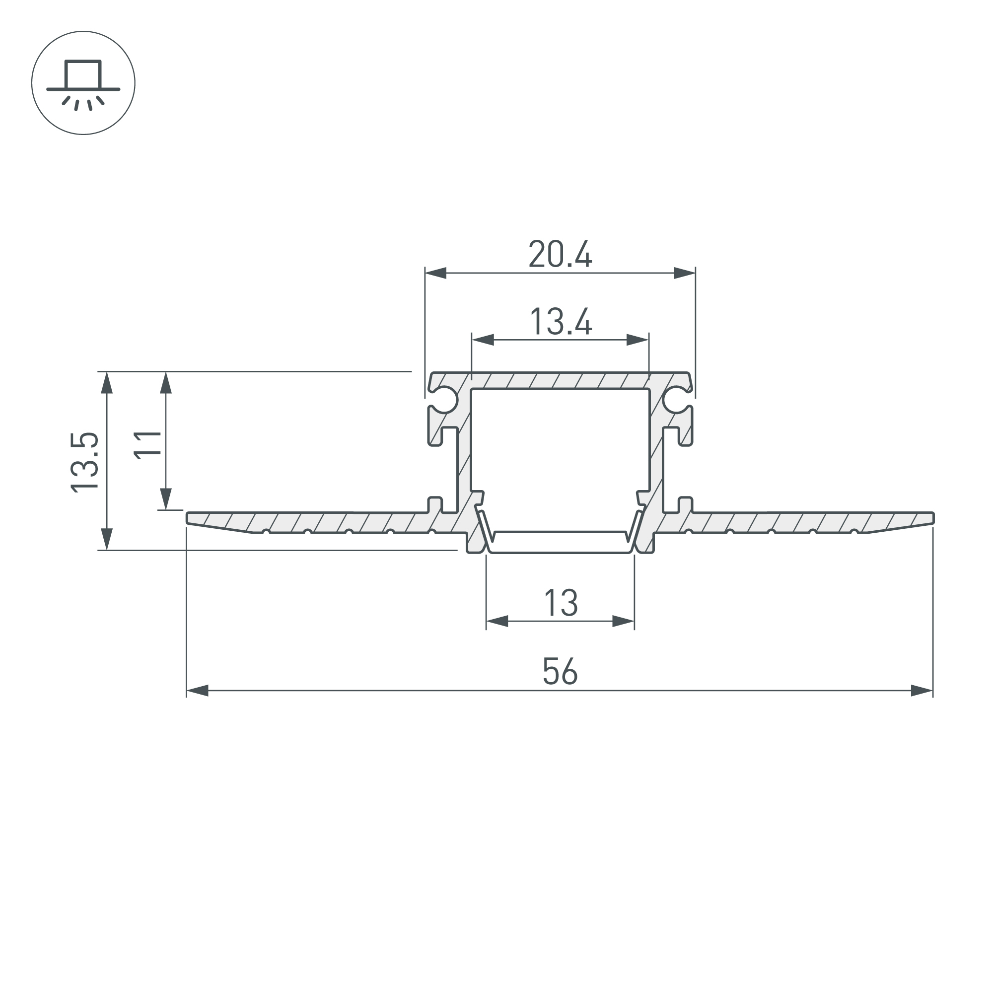
Встраиваемый профиль в гипсокартон, под строительную отделку. Позволяет создать узкую элегантную линию света без видимых частей алюминия. Поставляется в комплекте с дополнительным экраном, который служит защитой профиля от пыли при монтаже. Ширина с фланцем 56мм, высота 13,5мм. Для лент шириной до 13 мм.
Характеристики
|
Производитель
|
Arlight |
|
Цвет
|
Серебристый |
|
Назначение
|
Для ГКЛ |
|
Период обслуживания
|
2 года |
|
Рассеиваемая мощность (на 1м)
|
max: 31.4 W |
|
Серия
|
PDS |
|
Тип товара
|
Профиль |
|
Форма сечения
|
С фланцем |
|
Ширина площадки
|
13.4 мм |
|
Ширина световой линии, мм
|
13 мм |
|
Гарантийный срок
|
2 года |
|
Сертификат CE
|
https://arlight.ru/upload/iblock/75a/75a9e66e0673a51be1e623203622e083.pdf |
|
Цвет покрытия
|
Серебристый |
|
Форма (сечение)
|
С фланцем |
|
Вес, кг
|
0.68 |




